Venditor grossus Chemical Scrubber

  • Chemical Scrubber

Chemical Scrubber

Scrubber chemica est provecta scrubbing sparguntur. Utitur speciali structura et magna speciei superficiei regularis sarcinae sicut massa translationis et siccitatibus stipendiis. Eodem tempore, secundum varias compositiones odoris in odore, acidum, alcali et oxidant correspondentia adhibentur effusio ablutionis liquoris ad removendum odorem in spatio et labefactum circa ambitum removendum.

Fluxus odoriferus per ductum aerem portatur et turrim ex turri diverticulum intrat. Post turrim ingressus, transit sarcina iacuit ab imo ad summum, et tandem e turri summo pipeline exitum per anti-corrosionem ventilabrum emittitur. Solutio neutralis facta per liquidum separatorem in cacumine turris transit, spargit aequaliter in stratum sarcinis, per superficiem iacuit sarcinis defluit, donec ab imo per pipeline turrim emittitur, et per sentinam anti- corrosionis circulationis circumfertur. Cum concentratio solutorum in ortu aeris in inferiorem et inferiorem fit, purificatio functio perficitur cum cacumen turris attingit et emittitur vel purificatur per gradum proximum. E contra, remissio medii in humore descendente fit superior et superior, et pervenit ad condiciones cum ad imam turrim pervenit et a turri profluit.

Commoda turris imbre sarcinarum: Habet altam efficientiam, parvam liquorem capacem, levem pondus, et operationem facilem, quae statim ut incipiat operariis concedit. Miiller seligi potest secundum condiciones operativas a emptore paratas. Genera multa sunt, et globus anulorum corrosio-repugnantium plerumque utitur. Animadvertendum tamen est solidam materiam suspensam obsuram saturarii ob magnam ejus diametri particulam, adeo plerumque non aptam ad curationem solidam. Exempli gratia, NH₃, HCl, H₂S, oxydi nitrogenii et vasti organici gasi generati ex officinis cum hoc instrumento efficaciter tractari possunt..

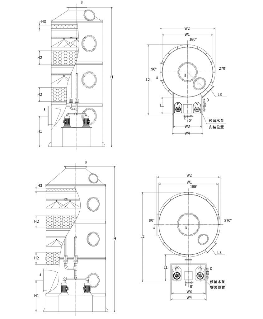
Scrubber chemical compages:
Ut patet in figura: Ratio scrubbing confertae rores includit sequentes partes:

1. Turris corporis ex PP (polypropylene) schedae;

2. Stipare fulcimentum tabulae craticulae PP factae;

3. Tibiae connectens ex UPVC imbre;

4. PP spirae nozzles;

5. Globus cavus vel pali anulus stipare;

6. Corrosio repugnans PP circulationem sentinam;

7. reticulum demissum iacuit;

8. Aquae manuales et automatice machinis replendis;

IX.

10. fenestra metus.

Donec scrubber lectio:
Technical Parameter Table of Packed Spray Scrubber

Ad translationem commodum et salutem curandam, PP imbres scrubri referti in duo genera dividuntur;

Type 1: Integrated piscina referta imbre scrubber (turris diameter: Φ1000mm-Φ2200mm)

Typus 2: Split-typus aquae piscinae rores scrubber refertae (turris diameter: Φ2500mm-Φ3500mm)


Exemplar Specifications correspondentes Airflow capacitas;

Exemplar Aeris volubilis Fabrica magnitudine Aqua sentinam potentia implens crassitudine Ventus celeritas Apparatus materiales
LRTL-600 0-1500m³/h Φ600x3000 0.75kw 500*2 1.48m/s PP/304/Q235/FRP
LRTL-800 1501-2500m³/h Φ800x3000 0.75kw 500*2 1.39m/s PP/304/Q235/FRP
LRTL-1000 2501-4000m³/h Φ1000x5000 1.5kw 500*2 1.42m/s PP/304/Q235/FRP
LRTL-1200 4001-6000m³/h Φ1200x5000 2.2kw 500*2 1.48m/s PP/304/Q235/FRP
LRTL-1500 6001-9500m³/h Φ1500x5000 3.75kw 500*2 1.5m/s PP/304/Q235/FRP
LRTL-1800 9501-14000m³/h Φ1800x5000 5.5kw 500*2 1.53m/s PP/304/Q235/FRP
LRTL-2000 14001-17000m³/h Φ2000x6000 5.5kw 500*2 1.5m/s PP/304/Q235/FRP
LRTL-2200 17001-20000m³/h Φ2200x6000 7.5kw 500*2 1.46m/s PP/304/Q235/FRP
LRTL-250 20001-20000m³/h Φ2500x6000 7.5kw 500*2 1.53m/s PP/304/Q235/FRP
LRTL-2800 2701-33000m³/h Φ2800x6000 15kw 500*2 1.49m/s PP/304/Q235/FRP
LRTL-3000 33001-38000m³/h Φ3000x6800 15kw 500*2 1.49m/s PP/304/Q235/FRP
LRTL-3200 38001-44000m³/h Φ3200x6800 15kw 500*2 1.52m/s PP/304/Q235/FRP
LRTL-3500 44001-55000m³/h Φ3500x6800 15kw 500*2 1.5m/s PP/304/Q235/FRP

Nota: Non vexillum designationes nativus secundum mos requisita potest.

Electio tabula:

Hangzhou Lvran Environmental Protection Group Co, Ltd.

  • 1000+

    Clientes Departmenti Servitii

  • 2000+

    Casus Nationalis Ingeniariae

Hangzhou Lvran Environmental Protection Group Co., Ltd. Est societas completa quae systemata curationis gasorum exhaurientium officia ingeniaria praebet et fabricat apparatum, quae investigationem et progressionem (R&D), officia technica, designum, productionem, institutionem ingeniariam, et officia post-venditionem integrat.

sumus Sina Chemical Scrubber provisor et Venditor grossus Chemical Scrubber Societas Exportatrix. Grex est negotium nationale technologiae provectae, negotium scientiae et technologiae provinciae Zhejiang, centrum regionale investigationis et progressionis, et unitas crediti aestimata AAA. Grex plus quam triginta patentes exemplorum utilitatis, patentes inventionis multiplices, et iura auctoris programmatum possidet. Grex diuturnam cooperationem in investigatione et evolutione technologica cum universitatibus et institutis investigationis domesticis habet, inter quas "Centrum Investigationis et Evolutionis Innovationis Ambientalis" cum Universitate Scientiae et Technologiae Anhuiensi coniunctim conditum et "Centrum Investigationis et Evolutionis Novae Technologiae Energiae Plasmaticae et Ambientalis" cum Universitate Scientiae et Technologiae Zhejiangensi coniunctim conditum. Grex proprias bases investigationis et progressionis (R&D) et productionis constituit ut cooperationem technologicam profundam perficiat. Grex technologiam fundamentalem curationis gasorum VOC possidet et qualificationem contractus generalis Classis II ad constructionem operum publicorum municipalium, licentiam productionis tutae, qualificationem designi specialis Classis B ad pollutionem environmentalem moderandam in provincia Zhejiang, qualificationem servitii laboris non classificati, et qualificationem contractus professionalis ingeniarii specialis tenet. Grex certificationes systematis administrationis qualitatis internationalis ISO9001, systematis administrationis environmentalis ISO14001, et systematis administrationis salutis et securitatis occupationalis ISO45001 superavit.

Diploma Honoris

Hae honores res gestas nostras egregias illustrant. Clientes productis summae qualitatis conciliavimus et laudes magnas a foro et omnibus societatis partibus servitio excellenti meruimus.

  • Patella-type altae campi electrica basic unitas et reactor pro arcendis lacus per superficiem
  • A fabrica reactionem ad synthesisin methanolum utendi dioxide et aqua et methodo componendi methanolum utendi dioxide et aqua.
  • Sui purgatio electrostatic precipitator
  • Erugo repugnans summus pressura ventilabrum vento directionis moderamine functionem
  • An adjustable auto-emundationem summus capacitas fan
  • Vasificationis catalytic deducta exhauriunt gas prae-curatio systematis imperium
  • Vapor purgans continuum campum electrostatic exhaurit gas purificationis et curationi
  • Humilis temperatus plasma UV photolysis exhaurit systema purificationis gasi instrumentorum
  • Trademark adnotatione certificatorium
Nuntii et Eventus Recentes
Communica tecum
Plura nuntia vide